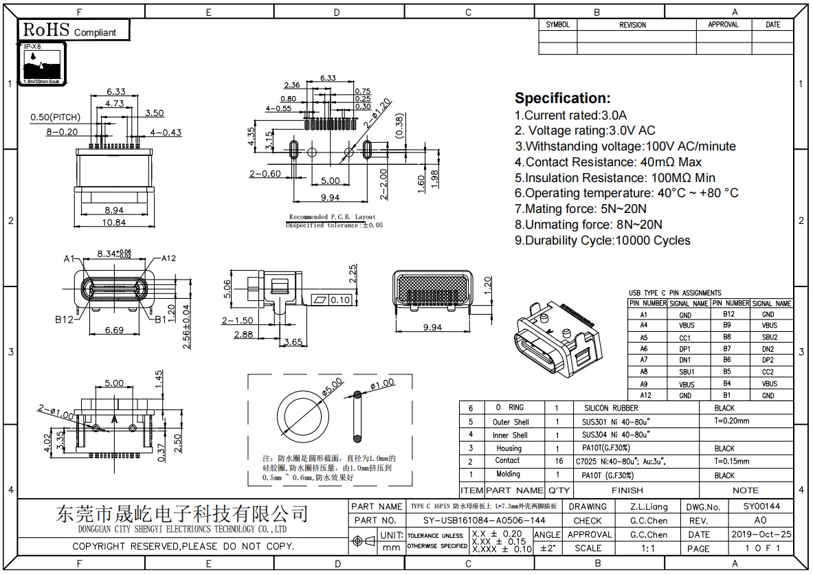
TYPE C 16PIN 防水IPX8母座板上7.3mm移动设备电源接口两脚插板
¥ 1.55元
零售通微供商品1688企业内部商城1688代销产品代发业务产品慧眼识货发布的商品分销商品
提供商家:东莞市晟屹电子科技有限公司
联系我们:sy18128527732
更新时间:2025-12-18 10:08:32
商品属性
- 品牌:SHENGYI
- 产品系列:SY-USB161084-A0506-144
- 货号:SY-USB161084-A0506-144
- 应用领域:智能移动设备
- 规格:SY-USB161084-A0506-144
- 标准:3.1 USB
- 安装角:卧式贴片
产品介绍
-
- 产品基本信息
- 品牌:晟屹
- 名称:TYPE-C 连接器
- 包装:卷装
- 产地:广东东莞
- 产品技术信息
- 额定电流:3A/Pin
- 额定电压:3V AC/Min
- 绝缘主体:LCP
- 五金导体:铜
- 工作温度:-40°C~80°C
- ———更多信息 请下拉浏览———
产品实拍图
产品尺寸图

产品推荐


搜索
复制

诚信认证:3 年
公司名称:东莞市晟屹电子科技有限公司
无 弹片电池连接器针座FPC连接器USB连接器耳机插座连接器线材连接器
供货产地:null 广东 null null 黄江镇
最新入驻企业
最新货源
¥ 21800
¥ 13700
- 1
- 2
- 5433